
L-shaped Titanium Profile for Chemical Industry
Processing method: Rolling
Surface: Pickled
Shape: L-shaped profile
Length and diameter: Customized
Packaging: According to size and your requirements
Application: Chemical industry,Marine equipment,Ship Equipment,Construction industry,Chemical Equipment
Price: Prices vary according to different models and purchase quantities
Minimum order quantity: 10KG
Payment method: telegrap
L-shaped titanium profile for Chemical industry - Long term structural support in strong acid and alkali environments
L-shaped titanium profile for Chemical industry are made of GR2, GR7 (Ti-0.2Pd), and GR12 (Ti Mo Ni) titanium materials, designed specifically for highly corrosive media such as sulfuric acid, hydrochloric acid, and organic acids. They provide a right angle structural solution that is corrosion-resistant, lightweight, and highly sealed, suitable for key equipment such as reaction vessels, storage tanks, and pipeline systems, ensuring safe and long-term operation of chemical production.
Core advantages
- Super corrosion resistance: resistant to concentrated sulfuric acid (98%), hydrochloric acid (10%), acetic acid, and mixed halogen media. GR7 titanium material has a 5-fold increase in corrosion resistance in reducing acids (corrosion rate<0.01mm/year).
- High temperature and high pressure adaptation: working temperature -50 ℃~300 ℃, tensile strength ≥ 345MPa, sealing frame pressure up to PN40 level, avoiding the risk of thermal deformation and leakage.
- Lightweight weight reduction: With a density of 4.5g/cm ³, it reduces weight by 45% compared to stainless steel right angle profiles and lowers equipment load.
Typical applications
- Strengthening ribs for concentrated sulfuric acid storage tanks and sealing guide rails for PTA reactors
- Wet metallurgical extraction tank frame, VOCs incinerator flue support
- Hydrofluoric acid pipeline fasteners, chlor alkali equipment sealing pressure strips
Our Advantages
Our factory boasts a strong production capacity, with an annual output of up to 10,000 tons of comprehensive titanium products. Relying on professional and advanced production equipment, we can customize products of various sizes and specifications for you, fully meeting your diverse needs.
In the aspect of logistics and distribution, we have partnered with professional, safe, and reputable logistics companies to build an efficient logistics system. This ensures that your products can be delivered to the designated port promptly and accurately, so you don't have to worry about logistics timeliness.
Quality is the lifeline of our factory. We have established a complete internal quality manual and formulated strict process control procedures. Every link, from raw material procurement to product delivery, is carefully controlled to comprehensively ensure that the product quality meets or even exceeds your standard requirements.
In case of any unfortunate product quality issues, you don't need to worry. We have a professional after-sales team providing 24-hour uninterrupted service. They will respond to your needs at any time and quickly solve the problems for you, leaving you with no worries.
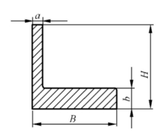
The cross - sectional shape of the L - shaped profile complies with the following regulations:

Instructions:
a --- Thickness in the height direction of the profile
b --- Transverse thickness of the profile
B --- Width of the profile
H --- Height of the profile
Profile Grade, Condition and Specification:
|
|
|
|
|
|||
|
Thickness (a or b) |
width ( B ) |
|
length ( L ) |
|||
|
TA1 |
Annealed state M |
2.0~25 |
25~120 |
25~120 |
500~6000 |
1.7~20 |
|
TA2 |
|
2.0~25 |
25~120 |
25~120 |
500~6000 |
1.7~20 |
|
TA3 |
Annealed state M |
2.0~25 |
25~120 |
25~120 |
500~6000 |
1.7~20 |
|
TA5 |
Annealed state M |
2.5~15 |
25~120 |
25~120 |
500~6000 |
1.7~20 |
|
TA10 |
|
2.5~25 |
25~120 |
25~120 |
500~6000 |
1.7~20 |
|
TC1 |
Annealed state M |
2.5~12 |
25~120 |
25~120 |
500~6000 |
1.7~20 |
|
TC2 |
Annealed state M |
2.5~12 |
25~120 |
25~120 |
500~6000 |
1.7~20 |
|
TC4 |
|
2.5~12 |
25~120 |
25~120 |
500~6000 |
1.7~20 |
|
TA15 |
|
2.5~12 |
25~120 |
25~120 |
500~6000 |
1.7~20 |
Dimensions and Allowable Tolerances of L-shaped Profile:
|
Name of L-shaped profile |
Thickness mm |
Height and width tolerances mm |
Allowable deviation of thickness mm |
|
3# L |
3~4 |
±2.0 |
±0.30 |
|
4# L |
3~4 |
±2.0 |
±0.30 |
|
5# L |
3~5 |
±2.5 |
±0.30 |
|
6.3# L |
4~6 |
±2.5 |
±0.40 |
|
8# L |
5~7 |
±3.0 |
±0.40 |
|
10# L |
6~8 |
±3.0 |
±0.40 |
The tensile properties of the profile at room temperature shall comply with the following regulations:
|
|
|
|
|
|
|
TA1 |
longitudinal direction |
≥240 |
140~310 |
≥30 |
|
TA2 |
longitudinal direction |
≥400 |
275~450 |
≥25 |
|
TA3 |
longitudinal direction |
≥500 |
380~550 |
≥20 |
|
TA4 |
longitudinal direction |
≥580 |
485~655 |
≥20 |
|
TA5 |
longitudinal direction |
≥685 |
≥585 |
≥12 |
|
TA10 |
longitudinal direction |
≥485 |
≥345 |
≥18 |
|
TC1 |
longitudinal direction |
590~735 |
|
≥20 |
|
TC2 |
longitudinal direction |
685~885 |
≥620 |
≥10 |
|
TC4 |
longitudinal direction |
≥896 |
≥827 |
≥10 |
|
TA15 |
longitudinal direction |
930~1130 |
≥855 |
≥7 |
Hot Tags: l-shaped titanium profile for chemical industry, China l-shaped titanium profile for chemical industry manufacturers, suppliers, factory
You Might Also Like
Send Inquiry










